In some cases the standard X-ray tube design is too bulky for the application. In this cases the X-ray tube can be designed with a longuated small in diameter anode. This is called a rod anodeX-ray tube. The electron beam is focalized in a very thin and near to parallel right at the entrance of the rod anode. After that the energy is so high that the electrons still travel along a grounded potential rod anode until they hit the target. On some designs a magnetic coil can be positioned on the outside of the vacuum vessel for additional focalization or steering of the electrons. In some tube designs of rtw the electrostatic focalization is made that way that no additional coils or focussing systems are needed. The rod anode itself is made out of titanum as it is a very strong and not elastic material appropriate for vacuum systems. Furthermore the low atomic number of titanum allows the direct X-ray beam output. We are producting 3 mainly different rod anode designs. For applications where very small diameters are needed only the titanum rod anode can be used. On the anode end different target materials and different target angles can be assembled on a copper block for conduction heating. As in most applications the distance from focal spot to object and from focal spot to detector is low, the total load is comparably low and so is the to be stored heat. The second rot anode design allows a water cooling of the anode. A second pipe allows the water inlet to the anode, while a third pipe provides the water outlet. So all together the inherent shielding is 3 x thickness of titanum pipes additional to the water flow path for in- and outlet. rtw is able to design a front and a transmission window as a third and last type of the rod anode design.
MCTS 100
Show list of all MCTS 100 X-ray tubes.
| Name | Voltage | Anode angle | Focal spot | Target | Emission angle (geometrical) | Load | Cooling | X-ray protection | Cable | Datasheet | 3D-Model |
|---|---|---|---|---|---|---|---|---|---|---|---|
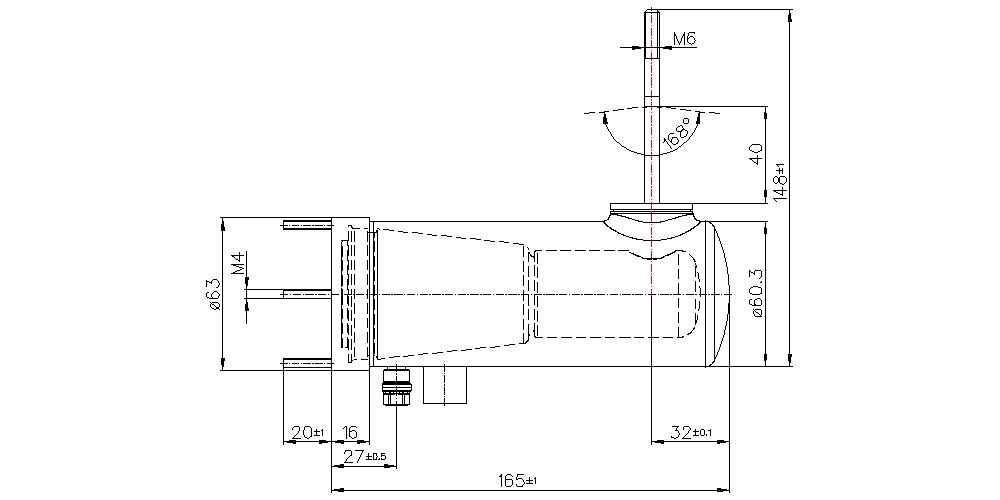
| MCTH3S 100A-0,6 W | -100 kV | 0° | 1,5 mm | W | 168°x360° | 150 W | conduction | without | without | ||
MCTS 130
Show list of all MCTS 130 X-ray tubes.
| Name | Voltage | Anode angle | Focal spot | Target | Emission angle (geometrical) | Load | Cooling | X-ray protection | Cable | Datasheet | 3D-Model |
|---|---|---|---|---|---|---|---|---|---|---|---|
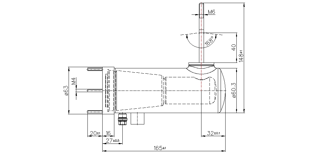
| MCTS 130A-0,6 W | -130 kV | 0° | 1,5 mm | W | 168°x360° | 150 W | conduction | without | without | ||
| MCTH6S 130A-0,6 W | -130 kV | 0° | 1,5 mm | W | 168°x360° | 150 W | conduction | without | without | ||