These X-ray tubes are invented for the mobile inspection mainly for X-ray analytical applications. The mini X-ray tube with a diameter of 20 mm is for the low powered and low kV applications. The X-ray tube is cathode grounded, so the anode needs to be powered with positive HT. The anode heat is transfered right through the ceramic insulator and then to ground potential. The X-ray tube can be cooled by the method of water cooling, air cooling or conduction cooling with a wide choice of accessories. The HT cable is glued in and provides a maintenance free usage at the enduser side. rtw provides specially designed polyolefine-cables with a high resistance main wiring working like an inline resistor and protects very sensitive electronic measurements in cases of discharge. All well-known generators and power supplies can be adapted to the X-ray tube. So please provide us with your required HT, filament connector and with your required cable length. So the tubes can be equipped with a wide range of different target materials mainly for X-ray analytical applications. Different cathode systems are available, so that focal spots from 50, 70, 100 and 500 µm are possible for long life time of the target and the filament. The MCBL versions are optimized in their design for maximum accelerations up to 30 kV.
MCBL 25
Show list of all MCBL 25 X-ray tubes.
| Name | Voltage | Anode angle | Focal spot | Target | Emission angle (geometrical) | Load | Cooling | X-ray protection | Cable | Datasheet | 3D-Model |
|---|---|---|---|---|---|---|---|---|---|---|---|
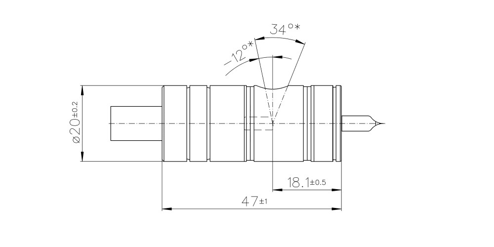
| MCBL 25B-30x70 Ag | +25 kV | 12° | 30x70 µm | Ag | 34° | 10 W | air, conduction | without | without | [STP] | |
| MCBL 25B-30x70 Cr | +25 kV | 12° | 30x70 µm | Cr | 34° | 10 W | air, conduction | without | without | [STP] | |
| MCBL 25B-30x70 Cu | +25 kV | 12° | 30x70 µm | Cu | 34° | 10 W | air, conduction | without | without | [STP] | |